CALCULO DE SLLEVES

Tabla de versiones

Release

Descripción

Fecha

Elaboró

Aprobó

0.1

Se envió para revisión del cliente

1/09/19

HG

0.2

Se agrega verificación ANSI B31.3

6/09/19

HG

Objetivo y alcance

Objetivo

  • Verificar la capacidad mecánica de los Slleves utilizados por el cliente para la soldadura de tubeías revestidas interiormente.

  • Proponer espesores óptimos para los Slleves.

Alcance

  • Se realizó la verificación de la capacidad mecánica de Sleeves de 3»,6»,10» y 16» usados en tuberías de SCH STD y de 3», 8» y 12» usados en tuberías SCH 80.

  • Se usó el software de cálculo mediante elementos finitos Salome Meca.

  • Se incluyeron los efectos de la interacción de los Slleves con el tubo y el adhesivo epóxico en el cálculo.

  • Se realizó un proceso de optimización para definir los mejores espesores para cada uno de los Slleves analizados.

Resumen

Actividades

  • Se modelaron los Slleves actuales y se calcularon los factores de seguridad actuales con respecto a la capacidad del material de los mismos. En el modelo se incluyó el slleve, un tramo de tubo y el adhesivo, esto con el propósito de tener en cuenta las posibles cargas generadas en la interacción de los tres elementos.

  • Se determinaron los factores de seguridad mínimos recomendados para los dos tipos de Slleves analizados, N=5 para SCH-STD y N=3 para SCH-80.

  • Se calcularon los espesores de los Slleves para los factores de seguridad óptimos.

  • Se actualizó el plano de los Slleves de acuerdo con la optimización realizada.

  • Se hizo cálculo aproximado para los esfuerzos en el adhesivo epóxico de los Slleves.

  • Se recomiendad modificaciones geométricas con el fin de reducir los esfuerzos sobre el adhesivo.

Recomendaciones

  • De los análisis se pudo determinar cómo elemento crítico el adhesivo epóxico que une el tubo con el Slleve. Se recomienda tener en cuenta la modificación geométrica planteada en el capítulo 8 de este informe para los Slleves de SCH-80 que presentan condición crítica de esfuerzos sobre el adhesivo.

Esfuerzos y patrón de deformaciones.

Gráfica

../../../_images/Fig_17_Esfuerzos_conjunto.png
../../../_images/Fig_21_Deformacion_Conjunto.png
  • Las fichas técnicas del adhesivo Sintepox Resina: R-319 y Endurecedor E-2860 reportan su resistencia máxima a cargas de cizallamiento. Se recomienda obtener pruebas de su resistencia a las cargas axiales ya que según lo indica la bibliografía [8] para los adhesivos epóxicos las cargas cricas son las producidas por los esfuerzos principales.

Esfuerzos y patrón de deformaciones.

Modelo

Esfuerzo Von Mises en Slleve [MPa]

Esfuerzos

../../../_images/Fig_19_Esfuerzos_Epoxy.png

Deformación Escalada

../../../_images/Fig_20_Esfuerzo_Deformacion_Epoxy.png
  • Se recomienda realizar análisis térmico para verificar que la temperatura inducida sobre el epóxico y el O-Ring durante la soldadura no supere la temperatura de degradación de cada uno de estos elementos. De esa manera se podrá recomendar la longitud óptima de los Slleves y definir la geometría final de los mismos.

  • De acuerdo con lo revisado en reunión técnica con el cliente, se recomienda realizar análisis radiográfico o similar en una muestra de Slleves de SCH-80 12 in para verificar que no exista corrosión inducida por posibles daños que pudiera tener el adhesivo epóxico.

  • Se presenta tabla comparando los espesores de la tubería en la que se usa el Slleve y el espesor optimizado del mismo para análisis por parte del cliente. Este resultado es preliminar ya que se modificaría con los posibles cambios de longitud producidos por los análisis térmicos recomendados en el punto anterior.

    Espesor Slleves.

    Cota correspondiente al espesor de Slleves.

Espesor óptimo del Slleve vs espesor del tubo en el que se inserta.

Slleve

Espesor tubo [\(mm\)]

Espesor Slleve actual [5]

Espesor Slleve para P. diseño [\(mm\)]

Espesor Slleve para P. Hidrostática [\(mm\)]

3»-STD

5.49

6.95

1.99

3.0

6»-STD

7.11

8.06

4.22

6.37

10»-STD

9.27

8.25

7.21

10.86

16»-STD

9.53

8.68

11.15

16.6

3»-SCH80

7.62

7.38

3.9

5.85

8»-SCH80

12.7

8.6

11.13

16.98

12»-SCH80

17.4

9.42

17.04

25.56

Unidades

Las unidades utilizadas en este informe son las siguientes:

Unidades

Longitud:

\(mm\)

Masa:

\(N \frac{s^2}{mm}\)

Fuerza:

\(N\)

Tiempo:

\(s\)

Presión:

\(Mpa\) ó (\(\frac{N}{mm^2}\))

Módulo elasticidad

\(Mpa\)

Diámetro tubería

\(in\)

Geometría

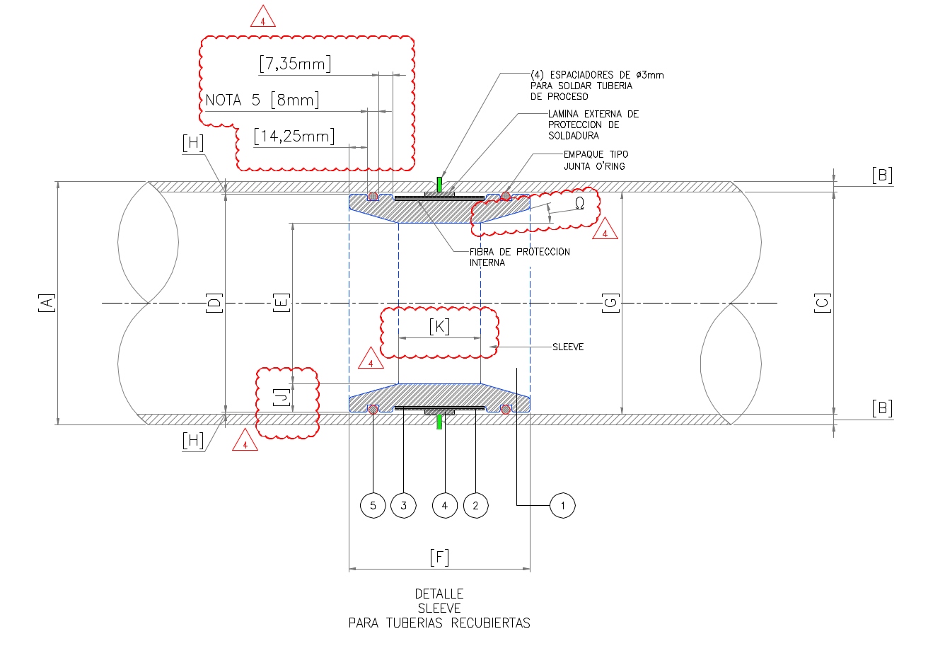
Se modeló la geometría de los Slleves, un tramo de tubo y el adhesivo epóxico para cada caso analizado. La información con la geometría de los slleves fue suministrada por el cliente en el plano: GATH-LCI-407-95-23-065.dwg mostrada en las siguientes figuras.

Geometría

Geometría.

Dimensiones SCH-STD

Dimensiones SCH-STD.

Dimensiones SCH-80

Dimensiones SCH-80.

Material Slleve

Material Slleve.

Construcción del modelo

Materiales

En la tabla siguiente se presentan la propiedades de los materiales incluidos en el modelo.

Para el caso de la resistencia mecánica del adhesivo se utilizaron dos referencias distintas:

  • Para la condición de carga de cizallamiento se utilizó la información de sintepox fabricante del adhesivo utilizado en los Slleves.

  • Para la condición de carga axial se utilizó la referencia bibliográfica [6], ya que no se dispone de información de Sintepox.

Propiedades de los materiales

Componente

Material

Propiedad

Unidad

Valor

Tubo

CS

Módulo Elasticidad

\(Mpa\)

205.000

Tubo

CS

Módulo Poisson

0.3

Slleve

CS

Módulo Elasticidad

\(Mpa\)

205.000

Slleve

CS

Módulo Poisson

0.3

Slleve

CS AISI 1020

Sy Esfuerzo Fluencia

\(Mpa\)

380 Calibrado

Adhesivo

EPOXY [6]

Módulo Elasticidad

\(Mpa\)

3.664

Adhesivo

EPOXY [6]

Módulo Poisson

0.375

Adhesivo

EPOXY [6]

Sy:Esfuerzo Fluencia

\(Mpa\)

25.86

Adhesivo

SINTEPOX Resina:R-319 Endurecedor: E-2860

Sxy:Resistencia al cizallamiento

\(Mpa\)

33

Ver :cite: Cease2006 para propiedades del adhesivo.

Malla

La malla de elementos finitos construida para el modelo se realizó mediante la rotación del perfil de la geometría del conjunto Slleve, tubo, adhesivo. Haciendola de esta manera fue posible construirla en forma mapeada (Elementos de 4 lados) lo que por ser mas eficiente que la triangularización ahorra tiempo de computo.

Perfil del conjunto con malla mapeada.

Perfil del conjunto con malla mapeada.

El conjunto modelado incluye un tramo de tubo con lo que se permite trasladar las cargas producidas por la flexión de este al Slleve.

Se modelaron los elementos tubo, epóxico y Slleve como un ensamble para permitir la asignación de las propiedades a cada material según corresponde en la realidad.

Malla del modelo del Slleve.

Malla del modelo del Slleve.

Se agruparon los elementos.

Malla del modelo del tubo.

Malla del modelo del tubo.

El adhesivo epóxico se representó cómo un área de sección rectangular entre el tubo y el Slleve. Para un análisis mas detallado de los esfuerzos sobre el epóxico se requeriría un levantamiento detallado de la geometría de este material en la unión.

Malla del modelo del adhesivo epóxico.

Malla del modelo del adhesivo epóxico.

Malla de conjunto.

Malla de conjunto.

Aplicación de cargas

Las cargas sobre los modelos realizados corresponden a la presión interna ejercida por el fluido, las transmitidas por el tubo debidas a los momentos de flexión entre soportes y las cargas térmicas, que según se explica adelante, son despreciable en los casos que corresponden a este estudio.

En la siguiente figura se presentan los datos de entrada para la presión de Slleves de SCH-STD según nos fue entregada por parte del cliente.

Propiedades fluido baja presión.

Propiedades del fluido de baja presión.

La presión utilizada para el cálculo fué la máxima de diseño y no la presión de prueba hidrostática, teniendo en cuenta que los factores de seguridad incluidos son suficientes para que la prueba hidrostática esté en un rango seguro.

Corrida y postprocesamiento

Los modelos se cargaron de acuerdo con lo indicado lineas arriba en el numeral correspondiente a las cargas y se corrieron con el software de elementos seleccionado (Ver numeral Software).

Los resultados se obtuvieron de manera gráfica y en forma tabular que se anexa a este informe.

Deformaciones unitarias conjunto Slleve 3in SCH-STD.

Deformaciones unitarias conjunto Slleve 3in SCH-STD.

Se presentan resultados gráficos de las deformaciones unitarias de uno de los modelos después de su corrida

Esfuerzo equivalente de von Mises Slleve 3in SCH-STD.

Esfuerzo equivalente de von Mises Slleve 3in SCH-STD.

El criterio mas adecuado para el análisis de esfuerzos en metales dúctiles es el de Von Mises que se muestra en la figura, la escala de colores utilizada esta en MPa.

Esfuerzo equivalente de von Mises Adhesivo 3in SCH-STD.

Esfuerzo equivalente de von Mises Adhesivo 3in SCH-STD.

En la gráfica se muestra a manera de ilustración el cálculo de esfuerzos en el adhesivo mediantel criterio de Von Mises. En las tablas del informe se utiliza el criterio de los esfuerzos principales máximos, segun lo recomendado por referencia la bibliográfica citada [7].

Software

Para la elaboración de este proyecto se utilizó el software de elementos finitos Salome-Meca2018.0.1 de Code_Aster.

Hardware y tiempo de corrida

Se utilizó para la corrida de los modelos un equipo con procesador Corei7 de 8va generación, 32GB Ram, con tiempos de corrida promedio por modelo de 900s.

Cálculo SCH-STD

Cargas

El slleve de los tubos de SCH-STD está sometido a las siguientes cargas:

  • Presión de diseño: 655psi (4.52MPa)

  • Fuerza de la flexión del tubo transmitida a través del pegante epóxico: Se calcula cómo la carga producida en el tubo entre 2 apoyos consecutivos debida al peso propio y al del fluido contenido en este. Esta carga se modela cómo un anclaje y una fuerza que producen un momento equivalente.

    Cargas transferidas a los modelos

    Diam. [\(in\)]

    Distancia entre soportes [\(mm\)] [7]

    Momento máximo [\(N mm\)]

    Longitud Modelo [\(mm\)]

    Fuerza a aplicar [\(N\)]

    Fuerza por unidad de área [\(mm^2\)]

    Esfuerzo máximo por Flexión [\(Mpa\)]

    3

    3.658

    255.695

    345

    -176

    0.123

    9

    6

    5.182

    1’842.938

    345

    -1.023

    0.284

    10.65

    10

    6.706

    5’850.230

    345

    -4.036

    0.525

    12

    16

    8.230

    18’757.878

    345

    -12.943

    0.824

    12.5

  • Carga por expansión térmica diferencial entre el tubo y el Slleve transmitida por el epóxico: Para el análisis es despreciable teniendo en cuenta que el tubo y el slleve estarán aproximadamente a la misma temperatura.

    Propiedades fluido baja presión.

    Propiedades del fluido de baja presión.

Resultados

Esfuerzo en Slleves SCH40

Diámetro [\(in\)]

Esfuerzo Von Mises máximo [\(Mpa\)]

Esfuerzo de cedencia Material Modelo [\(Mpa\)]

Factor de seguridad frente a cargas de diseño

Factor de seguridad frente a Prueba hidrotática

3

27

380

14

9.38

6

44

380

8.63

5.75

10

60

380

6.33

4.22

16

83

380

4.5

3.05

El estudio de esfuerzos en el adhesivo esta fuera de este alcance. En el modelo se incluyó el epóxico y el tubo para verificar las interacciones de estos con el Slleve pero no sus estados de carga.

Para efectos informativos se presentan los esfuerzos calculados en el adhesivo, sin embargo se debe tener en cuenta que la geometría real de este no se conoce detalladamente y que el fabricante del adhesivo reporta sólamente esfuerzos máximos de Cizallamiento con curado de 8 horas a 40 grados centígrados.

Esfuerzo en adhesivo tipo Epoxi - SCH40

Diámetro [\(in\)]

Esfuerzo principal máximo P. Hidrostática [\(Mpa\)] [8]

Esfuerzo de cedencia Epoxi [\(Mpa\)]

Factor de seguridad Frente a carga P. hidrostática

3

13.5

25.86

1.91

6

18

25.86

1.44

10

24

25.86

1.07

16

33

25.86

0.78

Esfuerzo en adhesivo tipo Sintepox R-319 - SCH40

Diámetro [\(in\)]

Esfuerzo cortante máximo P. Hidrostática [\(Mpa\)] [8]

Esfuerzo de cizallamiento máximo Sintepox [\(Mpa\)]

Factor de seguridad Frente a carga P. hidróstatica

3

6.15

33

5.36

6

7.5

33

4.4

10

9

33

3.6

16

11.55

33

2.85

Se utiliza cómo criterio de comparación de esfuerzos para el adhesivo el esfuerzo principal máximo [8].

Cálculo SCH-80

Cargas

El slleve de los tubos de SCH-STD está sometido a las siguientes cargas:

  • Presión de diseño: 2220psi (4.52MPa)

  • Fuerza de la flexión del tubo transmitida al Slleve: Se usa el mayor esfuerzo de la tabla de fuerza por flexión del numeral correspondiente a la tuberia STD para determinar el momento a aplicar.

    Cargas transferidas a los modelos

    Diámetro [\(in\)]

    Esfuerzo [\(Mpa\)]

    Momento máximo [\(N mm\)]

    Longitud Modelo [\(mm\)]

    Fuerza a aplicar [\(N\)]

    Fuerza por unidad de área [\(mm^2\)]

    3

    12.5

    457.106

    345

    -315

    0.162

    8

    12.5

    5’033.897

    345

    -3.473

    0.422

    12

    12.5

    15’312.568

    345

    -10.565

    0.628

  • Carga por expansión térmica diferencial entre el tubo y el Slleve transmitida por el epóxico: Para el análisis es despreciable teniendo en cuenta que el tubo y el slleve estarán aproximadamente a la misma temperatura.

    Propiedades fluido alta presión.

    Propiedades del fluido de alta presión.

Resultados

Esfuerzo en Slleves SCH 80
Diámetro

[\(in\)]

Esfuerzo Von Mises máximo [\(Mpa\)]

Esfuerzo de cedencia Material Modelo [\(Mpa\)]

Factor de seguridad

Factor de seguridad Prueba Hidrostática

3

76

380

5.0

3.33

8

170

380

2.23

1.49

12

180

380

2.5

1.41

Esfuerzo en Adhesivo para Slleves SCH 80
Diámetro

[\(in\)]

Esfuerzo principal máximo P. Hidrostática [\(Mpa\)] [8]

Esfuerzo de cedencia Material Epoxi [\(Mpa\)]

Factor de seguridad

3

42

25.86

0.61

8

52.5

25.86

0.49

12

55.5

25.86

0.46

Esfuerzo en Adhesivo Sintepox R-319 para Slleves SCH 80
Diámetro

[\(in\)]

Esfuerzo principal máximo P. Hidrostática [\(Mpa\)] [8]

Esfuerzo de cizallamiento máximo sintepox [\(Mpa\)]

Factor de seguridad

3

21

33

1.57

8

22.5

33

1.46

12

25.5

33

1.29

Se evidencia una situción crítica en los esfuerzos inducidos por las cargas en la prueba hidrostática teniendo en cuenta que:

  • En la tabla «Esfuerzo en Adhesivo para Slleves SCH 80» se nota que los esfuerzos cálculados en el adhesivo superan el valor de referencia para su resistencia mecánica respecto a cargas axiales.

  • En la tabla «Esfuerzo en Adhesivo Sintepox R-319 para Slleves SCH 80 se nota que los esfuerzos de corte calculados presentan un factor de seguridad menor que 2 respecto a la resistencia al cizallamiento del adhesivo.

Espesor óptimo Slleves

El espesor óptimo de los Slleves depende principalmente de la buena escogencia del factor de seguridad. En las tablas de los capítulos anteriores se vió que el factor de seguridad de los Slleves actuales se encuentra en un rango muy variado ente 2.24 y 14, para el más bajo y el más alto respectivamente.

En el libro de Norton [9] páginas 20 y 21 se presentan criterios para la escogencia de factores de seguridad que aquí se transcriben.

\[N_{ductile} = MAX(F1,F2,F3)\]

con:

Esfuerzo en Adhesivo

Information

Quality of information

F1

Material property data available from test

The actual material used was tested

1.3

Representative material test data are available

2

Fairly representative material test data are available

3

Poorly representative material test data are available

5+

Environmental conditions in which it will be used

F2

Are identical to material test conditions

1.3

Essentially room-ambient environment

2

Moderatelly challengin environment

3

Extremelly challengin environment

5+

Analitical models for loading and stress

F3

Models have been tested against experiments

1.3

Models accuratelly represent the system

2

Models approximatelly represent the system

3

Models are crude approximations

5+

La escogencia de los factores involucra criterios subjetivos derivados de la experiencia del diseñador y de la información recolectada. Aquí se escogieron los factores de acuerdo con los siguientes criterios.

Para el factor F1 se escoge el valor de 2 teniendo en cuenta que el cliente debe solicitar y revisar los certificados de calidad de los materiales con los que se fabriquen los Slleves.

El factor F2 en el fluido monofásico se escoge con valor de 3 (para un ambiente moderado) por transportar agua tratada.

El factor F2 paara el fluido multifásico se escoge con valor de 5 por tratarse de un fluido no tratado y con inclusión de gas.

Finalmente para el Factor F3 se escoge con valor de 2 para ambos casos por realizarse modelamiento con elementos finitos.

De este modo, para el fluido multifásico se usa el máximo valor \(N_{ductile}\) = 5 y para el fluido de inyección \(N_{ductile}\) = 3. Con lo que el esfuerzo máximo objetivo será:

  • Esfuerzo máximo objetivo para el fluido multifásico de baja presión = 76 \(Mpa\)

  • Esfuerzo máximo objetivo para el fluido de inyección = 126 \(Mpa\)

Se realizan los cálculos con nuevas geometrías y se obtienen los siguientes resultados.

Esfuerzo en Slleve

Slleve

Esfuerzo de Von Mises máximo objetivo [\(Mpa\)]

Efuerzo de Von Mises máximo modelo [\(Mpa\)]

Diferencia porcentual [%]

3»-STD

76

80

5.2

6»-STD

76

82

7.9

10»-STD

76

69

9.2

16»-STD

76

70

7.9

3»-SCH80

126

130

3.2

8»-SCH80

126

120

4.7

12»-SCH80

126

110

12.6

Se consigue la optimización dentro de un rango razonable de precisión, teniendo en cuenta que las diferencias con el valor objetivo están por debajo de las tolerancias de fabricación.

De manera análoga se realizaron modificaciones geométricas para mantener los esfuerzos en el adhesivo por debajo de su límite de fluencia, sin factor de seguridad (la aplicación de factores de seguridad requiere de un cálculo mas detallado del epóxico fuera de este alcance).

Esfuerzo en Adhesivo

Slleve

Esfuerzo de Von Mises máximo objetivo [\(Mpa\)]

Efuerzo de Von Mises máximo modelo [\(Mpa\)]

Diferencia porcentual [%]

3»-STD

25.86

8.3

3.11

6»-STD

25.86

10

2.58

10»-STD

25.86

15

1.72

16»-STD

25.86

26

1

3»-SCH80

25.86

22

1.18

8»-SCH80

25.86

30

0.862

12»-SCH80

25.86

27

0.96

Mediante la extensión de la cota G de la figura siguinete se obtienen esfuerzos en el adhesivo menores que los actuales, al costo de aumentar la longitud del Slleve en una cantidad equivalente . El cliente definirá si la extensión propuesta es viable para su uso práctico en cuyo caso se incluirán valores seguros para esta dimensión en el plano final.

Medida actual de la cota G para el Slleve de 12in SCH-80

Medida actual de la cota G para el Slleve de 12in SCH-80

Medida nueva de la cota G para el Slleve de 12in SCH-80

Medida nueva de la cota G para el Slleve de 12in SCH-80

Con la medida nueva se alcanza un esfuerzo de 27 \(Mpa\) en el adhesivo, es decir en el límite de resistencia mecánica de este. La implicación es un cambio de longitud total del Slleve para pasar de 115 \(mm\) a 175 \(mm\).

Verificaciones

Cálculo analítico

Para verificar los modelos previos se hace el cálculo aproximado de esfuerzos en los Slleves modelados cómo cilindros. Este cálculo no tiene en cuenta los efectos de la interacción del Slleves con el tubo exterior ni el adhesivo.

Para cilindros de pared gruesa los esfuerzos radial y tangencial son respectivamente [8]:

\[\sigma_{r} = \frac{p_{i} r_{i}^2 - p_{o} r_{o}^2 - r_{i}^2 r_{o}^2 (p_{o} - p_{i})}{r^2 (r_{o}^2 - r_{i}^2)}\]
\[\sigma_{t} = \frac{p_{i} r_{i}^2 - p_{o} r_{o}^2 + r_{i}^2 r_{o}^2 (p_{o} - p_{i})}{r^2 (r_{o}^2 - r_{i}^2)}\]

Para \(p_{o}\) = 0 queda:

\[\sigma_{r} = \frac{p_{i} r_{i}^2 }{(r_{o}^2 - r_{i}^2)} (1- \frac{r_{o}^2}{r^2})\]
\[\sigma_{t} = \frac{p_{i} r_{i}^2 }{(r_{o}^2 - r_{i}^2)} (1+ \frac{r_{o}^2}{r^2})\]

No se considera cómo cilindro cerrado debido a que la deformación en la dirección axial se aproxima a la del tubo al que se encuentra adherido el Slleve.

Calculando para el estado de esfuerzos anterior el esfuerzo equivalente de Von Mises es:

\[\sigma_{vm} = \sqrt{\sigma_{t}^2 - \sigma_{t} \sigma_{r} + \sigma_{r}^2}\]

Con estas relaciones se calculó el esfuerzo en los Slleves. El máximo se encontró en la pared interna. Este valor fue comparado con el modelado cómo se observa en la tabla.

Esfuerzo en Adhesivo

Slleve

Esfuerzo de Von Mises máximo calculado [\(Mpa\)]

Efuerzo de Von Mises máximo modelo [\(Mpa\)]

Diferencia porcentual [%]

3»-STD

24.01

27

12.5

6»-STD

43.25

44

1.73

10»-STD

67.14

60

-10.63

16»-STD

98.31

83

-15.31

3»-SCH80

69.98

76

8.6

8»-SCH80

173.86

170

-2.2

12»-SCH80

221.59

180

-18.76

Se verifican los órdenes de magnitud de los esfuerzos de los modelos respecto al cálculo manual, las diferencias que se presentan se deben a la mayor precisión de los modelos de elementos finitos en comparación con el cálculo aproximado de presión interna en cilindros.

Aplicación de ANSI B31.3

Por tratarse de una pieza especial de la tubería, construida en un material que está por fuera de las tablas de ANSI B31.3 se utilizó cómo criterio el utilizado para el diseño de piezas mecánicas.

A continuación se hace una evaluación del impacto de la decisión con respecto al criterio dado por ANSI B31.3.

  • Se buscó en la tabla A-1 de ANSI B31.3 un material con resistencia similar a la del de fabricación del Slleve.El acero API 5L tiene una resitencia a la fluencia de Sy=56Ksi (El material del Slleve 55Ksi)

  • Para este material a la temperatura de trabajo ANSI B31.3 pide usar una resistencia de trabajo de S=23.7Ksi a 90 F.

  • También ANSI B31.3 recomienda usar uno de los factores Ec (Factor de la calidad de la fundición) ó Ej (Factor de la junta) de los cuales para el caso aplica el factor Ec, cuyo valor conservador es de 0.8 y puede subir hasta 1 si se tiene control completo de la fundición. Para este ejercicio utilizamos el valor conservador de 0.8.

  • Al aplicar este factor se obtien SEc= 18.96 ksi.

  • Si se divide la resistencia inicial del material por la obtenida en el paso anterior se obtiene un valor que se comparamos con el factor de seguridad utilizado. Sy/SEc= 2.95.

  • El factor utilizado para el material de la tubería de agua de inyección fue de 3, lo cual es muy cercano a lo obtenido de este modo.

Límites del análisis

Se límita el análisis a las siguientes condiciones:

  • Análisis estático.

  • El análisis de esfuerzos se limita a los Slleves, el tubo y el epóxico se incluyen como elementos de la frontera del problema a modelar.

  • Los resultados obtenidos en el cálculo de los esfuerzos en el epóxico estan limitados ya que el fabricante reporta esfuerzos máximos de cizallamiento admisibles y no los esfuerzos de tensión máximos admisibles que deben ser el cruterio de comparación [8].

Anexos